销售热线:

13925876006

联系我们

东莞市爱阳电子有限公司/旋转电位器/波段开关
联系电话:0769-81283315 (10Lin)
销售热线:13925876006
传 真:0769-81283317
邮 箱:jordon@163.com
地址:东莞市塘厦莲湖第一工业区25号

ER08706N

当前位置:主页 > 产品展示 > 08mm系列

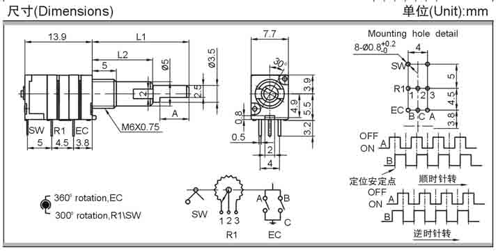
外形图/安装孔位图(Unit mm)

 

轴型尺寸

 

详细参数